虹润NHR-3300系列三相综合电量表
- 电 话:021-69028098
- 传 真:021-69028066
- 邮 箱:shkhyb@163.com
Description
概述
NHR-3300系列三相综合电量表为新一代可编程智能仪表,它采用大规模集成电路和高亮度长寿命的LED显示器,应用数字采样技术,对三相电气线路中的相电压、线电压、相电流、线电流、有功功率、无功功率、视在功率、频率、功率因数、有功电能、无功电能及四象限电能等进行实时测量显示与控制,并通过RS485接口或模拟量变送输出接口对被测量电量数据进行远传。产品提供不分相序的接法,使用户在错相的情况下也能得到正确的测量数据;它广泛应用于分布式电力监控系统、变电站综合自动化系统、无人值守变电站、低压智能配电系统、智能型开关柜/配电盘、智能箱变及楼宇自动化系统的数据采集。产品设计遵循电力仪表国标和行标GB/T22264-2008《安装式数字电测量仪表》、JB/T10736-2007《低压电动机保护器》、GB/T15576-2008《低压成套无功补偿装置》、GB/T22387-2008《剩余电流动作继电器》等标准。
三屏五位LED数码显示
可直接采集三相交流电压、三相交流电流信号,可测量三相有功功率、三相无功功率、三相视在功率、三相功率因数、三相工频周波、三相谐波及各种电能
具有模拟量输出、通讯输出和累积电能脉冲输出功能可选
具有上下限报警功能,带LED报警灯指示
支持RS485、RS232串行接口,采用标准MODBUS RTU通讯协议
测量参数
| 测量参数 | 测量范围 | 测量误差 | 分辨力 | 过载 |
| 电压 | 0.0~500.0V/AC | ±(0.4%读数+0.1%量程) | 0.1V | 持续120%;瞬时2倍/30S |
| 电流 | 0.03~5A/AC | ±(0.4%读数+0.1%量程) | 0.001A | 持续120%;瞬时2倍/30S |
| 有功功率 | U*I*COSΦ | PF=1.0; ±(0.4%读数+0.1%量程) | 0.1W | |
| 有功电能 | 42949.67 MWh | 0.1KWh | ||
| 无功功率 | U*I*SINΦ | PF=0.0; ±(0.8%读数+0.1%量程) | 0.1Var | |
| 无功电能 | 42949.67 MVarh | 0.1KVarh | ||
| 视在功率 | U*I | ±(0.4%读数+0.1%量程) | 0.1VA | |
| 视在电能 | 42949.67 MVAh | 0.1KVAh | ||
| 功率因数 | 0.000~1.000 | ±0.02 | 0.001 | |
| 工频周波 | 45~65 Hz (50~500V) | ±0.05Hz | 0.01Hz |
技术参数
| 输入 | |
| 输入信号 | 交流0~500V输入,500V以上由电压互感器转换为满量程为100V的电压输入 |
| 交流0~5A输入,5A以上由电流互感器转换为满量程为5A的电流输入 | |
| 输出 | |
| 输出信号 | 4-20mA,0-10mA,0-20mA,1-5V,0-5V |
| 输出负载 | 电流型≤500Ω,电压型≥250KΩ |
| 报警输出 | 继电器,容量:AC220V/2A,DC24V/2A |
| 通讯 | MODBUS-RTU协议,RS485传输距离≤1000米;RS232传输距离≤10米;信号传率≤9.6kbps |
| 累积脉冲 | 输出为OC门集电极开路,电压VCC≤48V,电流Iz≤50mA |
| 电源 | |
| 电源 | DC20-29V,AC/DC100-240V 50/60Hz |
| 功耗 | ≤5W |
| 其它参数 | |
| 绝缘电阻 (输入/输出/电源之间) | ≥100MΩ(500VDC时) |
| 绝缘强度 (输入/输出/电源之间) | 1500Vrms(1 min,无火花) |
| 工作温度 | 0~50℃(无凝露、无结冰) |
| 相对湿度 | 25%~85%RH |
| 保存温度 | -10~60℃(无凝露、无结冰) |
仪表面板
![]() | ![]() |
| (A型) 外形尺寸:160*80*142mm 开孔尺寸:152*76mm 安装深度:130mm | (C型) 外形尺寸:96*96*142mm 开孔尺寸:92*92mm 安装深度:130mm |

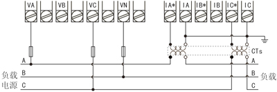
仪表接线图
仪表总接线图
1-2、三相三线系统,采用2PT,2CT方式的接线图(适用于3P3L) 1-3、三相三线系统,采用无PT,2CT方式的接线图(适用于3P3L) 2-1、三相四线系统,采用无PT,无CT方式的接线图(适用于3P4L) 2-2、三相四线系统,采用3PT,3CT方式的接线图(适用于3P4L) 2-3、三相四线系统,采用无PT,3CT方式的接线图(适用于3P4L) 符号描述 |
|
仪表选型
NHR-3300□-□-□/□/□/□-□
① ② ③ ④ ⑤ ⑥ ⑦
| ①规格尺寸 | ②输入类型 | ||
| 代码 | 宽*高*深 | 代码 | 测量类型 |
| A C | 160*80*142mm 96*96*142mm | I V W Ep E3P War Eq VA Es COS Hz Har 55 | 三相交流电流(0.03-5.00A) 三相交流电压(0.0-500.0V) 三相有功功率 三相有功电能 三相有功平衡功率(不可切换) 三相无功功率 三相无功电能 三相视在功率 三相视在电能 三相功率因数 三相工频周波 三相谐波 全切换 |
| ③输出类型 | |||
| 代码 | 输出类型(负载电阻RL) | ||
| X 0 1 2 3 4 8 | 无输出 4-20mA(RL≤500Ω) 1-5V(RL≥250KΩ) 0-10mA(RL≤1KΩ) 0-5V(RL≥250KΩ) 0-20mA(RL≤500Ω) 特殊规格 | ||
| ④报警输出 | ⑤通讯输出 | ||
| 代码 | 报警路数 | 代码 | 通讯接口(通讯协议) |
| X 2 | 无输出 2限报警 | X D1 D2 | 无输出 RS485通讯(Modbus RTU) RS232通讯(Modbus RTU) |
| ⑥累积脉冲输出 | ⑥供电电源 | ||
| 代码 | 累积脉冲输出 | 代码 | 电压范围 |
| X PO | 无输出 累积脉冲输出 | A D | AC100~240V (50/60Hz) DC20~29V |
备注:
型号时必须完整,没有选到的功能项不能省略,必须用“X”补上;电流输出与电压输出之间是不可切换的,需通过更改硬件完成,订货时请注明清楚。
型号举例:NHR-3300C-Ep-0/2/D1/X-A













