021-69028098
|
免责申明
|
网站地图
|
联系我们
网站首页
关于我们
产品展示
信号隔离器
隔离式安全栅
物位流量仪表
电量监控与变送器
电线电缆系列
罗斯蒙特变送器
横河EJA变送器
电动调节阀执行器
仪表管件阀门
智能电工仪表
霍尼韦尔变送器
氧化锆氧量分析仪
手持智能终端
压力变送器
压力表系列
温度液位变送器
上润虹润智能仪表
无纸记录仪
智能显示仪表
双金属温度计
特殊结构温度传感器
工业热电阻
工业热电偶
新闻动态
行业动态
公司动态
技术支持
案例展示
联系我们
工业热电偶
工业热电阻
特殊结构温度传感器
双金属温度计
智能显示仪表
无纸记录仪
上润虹润智能仪表
温度液位变送器
压力表系列
压力变送器
手持智能终端
信号隔离器
隔离式安全栅
物位流量仪表
电量监控与变送器
电线电缆系列
罗斯蒙特变送器
横河EJA变送器
电动调节阀执行器
仪表管件阀门
智能电工仪表
霍尼韦尔变送器
氧化锆氧量分析仪
首页
>
产品展示
>
仪表管件阀门
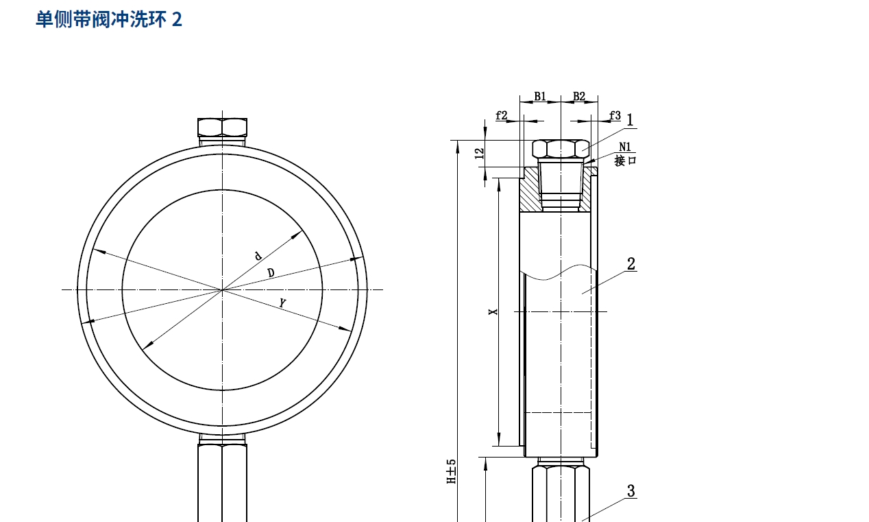
法兰冲洗环
冲洗环属于流体管道的一部分,安装在仪表与管道之间,主要用于清洗测量法兰隔膜,避免因液体或杂质的附着而导致的误差,进而提高变送器的精度和可靠性。
电 话
:021-69028098
传 真
:021-69028066
邮 箱
:shkhyb@163.com
Description
浏览:
上一篇:
差压表三阀组
下一篇:
差压表五通阀(定制产品)
Copyright ©:
上海辉玛自动化科技有限公司
沪ICP备2021030342号-1
沪公网安备31011402021798号
一站式营销:千秋在线