防水/防尘型压力变送器
简介 防水/防尘型压力变送器选用性能优越的进口扩散硅压力传感器作为其敏感元件。内置进口专用模块将信号转换成二线4~20mA电流输出进行远距离信号传输。采用316不锈钢防水型外壳隔离防腐、防水。多样
- 电 话:021-69028098
- 传 真:021-69028066
- 邮 箱:shkhyb@163.com
Description
简介
防水/防尘型压力变送器选用性能优越的进口扩散硅压力传感器作为其敏感元件。内置进口专用模块将信号转换成二线4~20mA电流输出进行远距离信号传输。采用316不锈钢防水型外壳隔离防腐、防水。多样化的安装接口形式。采用陶瓷厚膜电路进行温度补偿,零点、量程可迁移,性能稳定,线性优良。能满足防潮、防水、防爆、防尘等恶劣工况要求。
该产品广泛用于工业过程控制、供水、石油、化工、冶金等行业。
特点
★测量介质:与316L不锈钢兼容的各种液体、气体或蒸汽
★量程范围:-100 kPa~0~2kPa…100MPa
★压力方式:表压、绝压、密封压
★供电电源:DC24V
★输出信号:4~20mA,1~5V等
★综合精度:±0.5%FS(典型值)、±0.2%FS
★温度漂移:0.03%FS/℃
★补偿温度:0~80℃
★介质温度:-40~125℃
★环境温度:-40~85℃
★时间漂移:≤0.2%FS/年
★过载能力:200%FS
选型资料
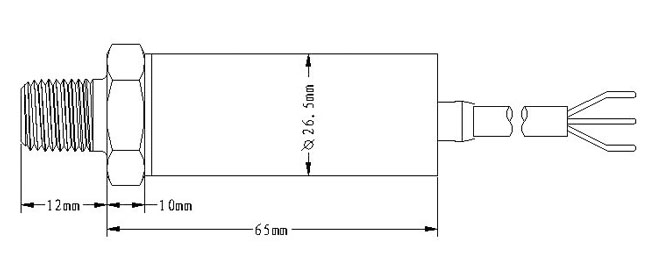
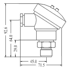
外形结构图
防水型
防尘型
浏览:
上一篇:HM-800微压/风压压变送器
下一篇:隔膜型压力变送器



